中华急诊医学杂志  2017, Vol. 26 Issue (3): 266-267
西部创伤协会关于血流动力学不稳定骨盆骨折处理的重要决定--2016年更新
江利冰, 蒋守银, 张茂     
310009 杭州,浙江大学医学院附属第二医院急诊医学科 浙江大学急救医学研究所

自从2008年西部创伤学会 (Western Trauma Association) 发布关于血流动力学不稳定骨盆骨折处理指南后,到目前为止,总体治疗方案并未有重大变化,但是一些细节,在最近几年讨论较多,此次更新为中期更新,现将主体内容翻译如下:

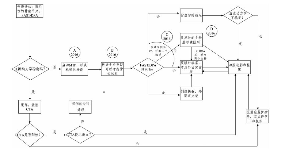
A. 2008年指南发布之后,基于生理指标以及粘弹性试验的大量输血方案被临床广泛使用。大约1/4的创伤患者会出现急性凝血功能障碍,导致病死率增加4倍。创伤诱导的凝血病 (TIC) 是指创伤发生24 h内机体出现的低凝状态,机制涉及很多,包括组织低灌注、炎症、神经体液系统的激活。复苏过程中,出现的酸中毒、血液稀释以及低体温进一步恶化了已有的凝血功能障碍。最近一些研究提示组织低灌注会促进蛋白C的激活可能在TIC中扮演的重要角色。其他可能的机制包括纤溶亢进、凝血因子功能障碍、以及内皮糖萼的降解。早期通过血栓弹力图 (TEG)/旋转式血栓弹力测定 (ROTEM) 识别TIC, 并指导血制品的输注,可以降低病死率。最近一项随机对照 (RCT) 研究指出,基于粘弹性试验指导需要大量输血的创伤患者的复苏,和基于传统凝血指标指导复苏相比,可以降低病死率。

B.通过市场可及的外部包裹设备或者临时使用床单等无创的骨盆稳定技术目前已经成为标准的治疗方案,并且可以应用于院前。目前市场上可及的装置均提供了标准的使用方法,清晰的操作指南以及维持骨盆环稳定的紧固件。或者使用骨盆布袋在大转子水平固定骨盆,同时使用大号布巾钳进行固定。对于侧压型骨盆骨折,环周型的骨盆固定是禁忌的,可能会加重畸形。2013年的一项研究比较了骨盆布单固定以及专门的骨盆包扎带 (T-POD),发现对结局和运动功能的恢复并没有区别。

C.当针对创伤的腹部重点超声检查 (FAST) 或者诊断性腹膜穿刺 (DPA) 阴性时,还有三个补充性选择,而且不是互相排斥的:骨盆固定、腹膜外填塞,或者复苏性主动脉球囊阻断。动脉造影栓塞目前还是作为早期稳定或者腹膜外填塞后的主要稳定措施。动脉造影栓塞主要是控制动脉出血而腹膜外填塞主要负责控制静脉丛以及骨折断端出血 (85%)。如果对于液体复苏以及骨盆固定并没有反应,应该考虑行动脉栓塞。很多作者建议早期动脉造影和栓塞改善患者预后,但是这个过程是一个耗时的过程,阻碍了其他可以同时进行的治疗措施。此外,因为各种原因导致患者无法及时进入导管室,对于血流动力学不稳定的患者可能是无法耐受的。最佳的造影时间还是存在争议,建立杂交手术室可能可以解决这方面的困惑。骨盆的临时固定可以通过经皮的外固定支架。骨盆前环固定使用的外固定支架,需要固定在髂骨翼或者髋臼以上区域,主要适用于翻书样骨折,同时骨盆后方韧带完整。对于骨盆后环骨折,需要使用C型钳固定在背侧髂骨。整个骨盆固定方案的制定需要结合损伤类型,患者身体的摆放习惯,已有的影像学资料,以及外科医师的经验。这个时候是不适合使用专门的软件进行指导操作的。和早期外固定支架相比,腹膜外填塞变得越来越受到欢迎,因为它简单,不需要专业咨询,同时可以马上知晓效果如何。在一项40例血流动力学不稳定骨盆骨折研究中发现直接腹膜后填塞的效果和介入手术一样有效。腹膜外填塞是在耻骨上开始,腹部正中切一个8 cm的切口。皮肤、皮下组织、筋膜均需要分离。同时小心不要进入腹腔。将膀胱向对侧牵拉,同时依次往深部填塞三块剖腹用的大纱布,靠近两侧髂血管,通过骶骨来判断填塞的极限位置。然后关闭筋膜和皮肤,24~48 h后更换大纱布。对于经验丰富的医生,整个过程需要20 min。填塞后根据当地的情况或者患者情况,进行骨盆带或者外固定支架的固定。

D.复苏性的主动脉球囊阻断 (REBOA),是外科医生操作的阻断骨盆血液供应的技术。REBOA的目的就是暂时控制动脉出血,保证头颅以及心肌供血。REBOA阻断在主动脉3区,也就是动脉分叉高一点,足以立刻阻断动脉出血。尽管REBOA有效地增加了收缩压,但是没有明确的证据证实可以降低病死率。在整个血流动力学不稳定骨盆骨折处理流程中,REBOA的作用还不明确,培训和操作的方法也还没有明确定义。REBOA的经验还比较少,但是仍在不断积累。在一个研究型单位,经过训练的外科医生可以在6 min内完成REBOA,因此作为出血性休克的补充处理措施,REBOA可以为填塞以及动脉栓塞赢得时间。具体处理流程见图 1

图 1 血流动力学不稳定骨盆骨折处理流程